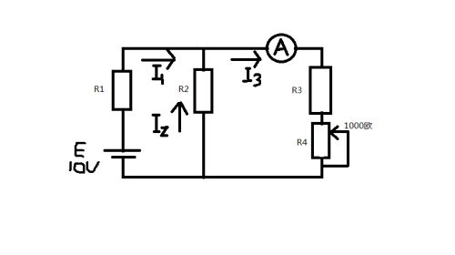
考研电路基础强化:求电流I1的解题思路全解析 本文以考研电路基础强化300题中的一道经典例题为核心,详细解析了求电流I1的解题思路与方法,帮助考生更好地掌握电路分析技巧。 简书热点 2025年02月28日 22:22 0 点赞 0 评论 55 浏览
卷积积分-buff考研电路基础强化300题:从零开始的备考之旅 本文以一名考研学子的视角,详细介绍了如何利用《卷积积分-buff考研电路基础强化300题》进行高效学习,分享了学习方法、实战经验以及成长感悟,为正在备考的同学们提供了宝贵的参考。 简书热点 2025年03月04日 17:02 0 点赞 0 评论 64 浏览