考研电路基础强化:求电流I1的解题思路全解析

在简书平台上,一道关于“求电流I1”的考研电路基础题目引发了广泛关注。作为一位正在备战考研的学子,小李最近也在刷《考研电路基础强化300题》这本书,其中的一道典型例题让他陷入了深思。
问题背景
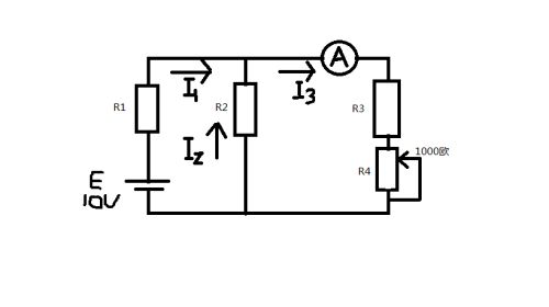
这道题目描述的是一个复杂的电路图,包含多个电阻、电压源和电流源。目标是计算出特定支路中的电流I1。对于像小李这样的考生来说,这类题目既考验了对基尔霍夫定律的理解,也检验了对节点分析法和回路分析法的掌握程度。
解题思路剖析
小李决定从最基础的知识点入手。首先,他回忆起电路分析的核心工具——基尔霍夫电流定律(KCL)和基尔霍夫电压定律(KVL)。通过仔细观察电路结构,他将整个电路划分为几个独立的回路,并为每个节点分配变量。
接着,他列出所有可能的方程组。例如,在某个关键节点上,流入的电流总和等于流出的电流总和;而在闭合回路中,电压的代数和为零。这些方程虽然看似复杂,但只要耐心整理,就能逐步简化。
具体步骤详解
以下是小李总结的详细解题步骤:
1. 确定参考点:选择一个合适的节点作为参考点,通常选取接地符号所在的节点。
2. 标注未知量:明确需要求解的目标值I1,并标注其他相关参数。
3. 列写KCL方程:针对每一个非参考节点,写出对应的电流平衡方程。
4. 应用KVL规则:围绕各个独立回路,建立电压平衡关系。
5. 联立方程求解:将上述方程联立,使用代数方法或矩阵运算得出最终结果。
值得注意的是,在实际操作过程中,可能会遇到一些特殊情况,比如理想电流源的存在或者受控源的影响。这时就需要灵活运用等效变换技巧,将复杂电路简化为更易于处理的形式。
学习心得分享
经过反复练习与思考,小李逐渐掌握了求解电流I1的精髓。他认为,电路分析不仅是一门技术活,更是一种逻辑思维训练。每一次面对难题时,都要保持冷静的心态,认真分析已知条件,寻找突破口。
此外,他还建议同学们多做类似的强化练习题,巩固基础知识的同时提升实战能力。毕竟,只有真正理解了原理,才能在考试中游刃有余。
结语
考研之路充满挑战,但每一步努力都不会白费。正如小李所说:“不要害怕困难,因为它们正是成长的契机。”相信只要坚持下去,每个人都能找到属于自己的成功之道。

点赞(0)

评论列表 共有 0 条评论

暂无评论
立即
投稿
发表
评论
返回
顶部